royal皇家88平台CARV复合式排气阀概述:
CARV复合式排气阀用于管路上的最高点有闭气的地方,来排除管内的气体来疏通管首,达到正常工作,如不装排气阀,管内流动的波体会产生动热引起气体形成短路,使管道出水容量达不到设计要求,其次,管道在运转时出现停电、停泵管道会出现负压力会引起管道振动或破裂,排(吸)气阀就迅速反空气吸入客内,防止管道振动或破裂。
royal皇家88平台CARV复合式排气阀作用原理:
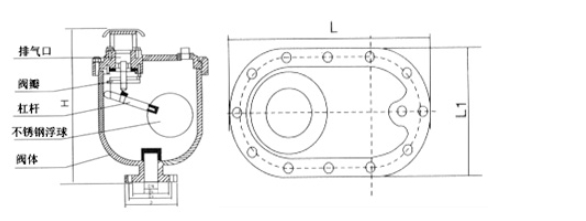
水进入管道时,塞子停在定位架的底部,进行大量的排气。当空气排出时,水进入房间使球浮起,并带动塞子闭合,停止排气。当管道正常运行时,会自然产生少量的气体,并聚集在管道的上部。达到一定水位时,阀内水位下降,浮球随时下落,气体从阀内排出。如果发生停电或水泵停泵,当管道内的水排空时,管道内随时会出现负压。浮子会随水下落,打开小孔带动大洞,让大量空气进入,保证管道的安全。
royal皇家88平台CARV复合式排气阀结构图:

royal皇家88平台CARV复合式排气阀技术参数:
1. 中:清水。
2. 工作温度:室温。
3. 阀体:灰铸铁HT200。
4. 浮子和塞:不锈钢。
5. 密封材料:丁腈橡胶。
6. 阀体强度试验:1.5 M pa
7. 密封试验压力:0.05-1.1Mpa,不漏水。



客服1