您好!欢迎访问royal皇家88平台阀门苏州销售处官网!
royal皇家88平台阀门——天津royal皇家88平台阀门,上海royal皇家88平台阀门专业生产闸阀,蝶阀,球阀,止回阀等,欢迎咨询合作。
全国咨询热线:13295105805

royal皇家88平台700X多功能水泵控制阀-工作原理-参数

royal皇家88平台700X多功能水泵控制阀概述:700X多功能水泵控制阀由主阀、电磁导阀、针阀、球阀、单向阀、行程开关、微形过滤器和压力表组成水力控制接管系统。水泵需停止工作时,先由进口压使主阀关闭90%后,水泵停止运转。剩余10%由回水关闭。可防止水锤现象发生。利用电磁导阀控制,不需要其它装置和能源。节约能源,保养简便,停泵

在线咨询全国热线
13295105805

royal皇家88平台700X多功能水泵控制阀概述:

700X多功能水泵控制阀由主阀、电磁导阀、针阀、球阀、单向阀、行程开关、微形过滤器和压力表组成水力控制接管系统。水泵需停止工作时,先由进口压使主阀关闭90%后,水泵停止运转。剩余10%由回水关闭。可防止水锤现象发生。利用电磁导阀控制,不需要其它装置和能源。节约能源,保养简便,停泵平稳。电磁阀可采用交流电220V或直流电24V。广泛用于高层建筑、生活区等供水管网系统及城市供水工程。


royal皇家88平台700X多功能水泵控制阀工作原理 :

当水泵工作阀门向下游供水时,电磁导阀全开,针阀调至适当开度,上游水经针阀、单向阀进入主阀控制室,经电磁导阀流出,此时主阀控制室的压力保持主阀处于合适的开度,保持下游正常供水。

当水泵停止工作时,电磁导阀先关闭,主阀控制室停止排水,控制室压力升高,主阀开始关闭。当关闭至90%时,主阀上部行程开关输出停泵信号,水泵停止运转。此时下游回水经单向阀进入主阀控制室,控制室压力升高,主阀被关闭。

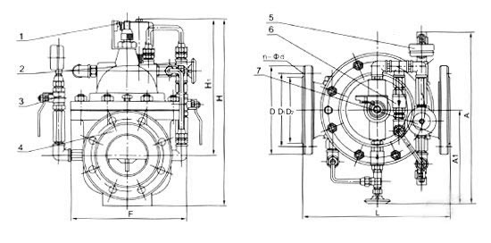
royal皇家88平台700X多功能水泵控制阀结构图:

royal皇家88平台700X多功能水泵控制阀结构图

royal皇家88平台700X多功能水泵控制阀技术参数:

公称压(Mpa)

壳体试验压力(MPa)

密封试验压力(MPa)

适用介质

介质温度(℃)

1.0

1.5

1.1

0-80

1.6

2.4

1.76

2.5

3.75

2.75


royal皇家88平台700X多功能水泵控制阀外形链接尺寸:

DN

L

A

A1

H

H1

F

D
mm

D1
mm

D2
mm

n-Φd

mm

mm

mm

mm

mm

mm

PN1.0

PN1.6

PN2.5

PN1.0

PN1.6

PN2.5

PN1.0

PN1.6

PN2.5

PN1.0

PN1.6

PN2.5

20

180

292

136

342

247

116

105

105

105

75

75

75

58

58

56

4-13.5

4-13.5

4-14

25

180

292

136

342

247

116

115

115

115

85

85

85

68

68

65

4-13.5

4-13.5

4-14

32

180

292

136

342

247

116

140

140

140

100

100

100

78

78

76

4-17.5

4-17.5

4-18

40

240

330

155

395

278

170

150

150

150

110

110

112

88

88

84

4-17.5

4-17.5

4-18

50

240

330

155

395

278

170

165

165

165

125

125

125

102

102

99

4-17.5

4-17.5

4-18

65

250

350

165

405

298

180

185

185

185

145

145

145

122

122

118

4-17.5

4-17.5

8-18

80

285

365

175

430

313

210

200

200

200

160

160

160

133

133

132

8-17.5

8-17.5

8-18

100

360

410

195

510

350

275

220

220

235

180

180

190

158

158

156

8-17.5

8-17.5

8-22

125

400

455

220

560

365

310

250

250

270

210

210

220

184

184

184

8-17.5

8-17.5

8-26

150

455

475

230

585

420

355

285

285

300

240

240

250

212

212

211

8-22

8-22

8-26

200

585

530

255

675

450

460

340

340

360

295

295

310

268

268

274

8-22

12-22

12-26

250

650

623

300

730

470

500

395

405

425

350

355

370

320

320

330

12-22

12-26

12-30

300

800

700

340

760

490

580

445

460

485

400

410

430

370

370

389

12-22

12-26

16-30

350

860

840

415

840

526

640

505

520

555

460

470

490

430

430

448

16-22

16-26

16-33

400

960

880

430

910

570

715

565

580

620

515

525

550

482

482

503

16-26

16-30

16-36

450

1075

930

460

1030

610

780

615

640

670

565

585

600

532

550

548

20-26

20-30

20-36

500

1075

980

490

1135

665

830

670

715

730

620

650

660

585

585

609

20-26

20-33

20-36


在线客服
联系方式

热线电话

13295105805

上班时间

周一到周五

微信二维码
“扫码加微信咨询”
线